今天是
设为首页
|
加入收藏
首 页
关于我们
东炜庭电机
技术支持
在线留言
行业新闻
联系我们
TWT东炜庭减速电机
TWT东炜庭定速电机
TWT东炜庭调速电机
TWT东炜庭刹车电机
TWT永磁直流电机
TWT蜗轮减速电机
TWT直线式减速电机
TWT小型减速电机
维良金驹注油器
东炜庭调速控制器
维良金驹泵浦
东炜庭电机产品电子目录下载
>
首页
>
TWT东炜庭电机
-
东炜庭调速控制器
马达转速控制器US52
产品详细介绍
马达转速控制器尺寸
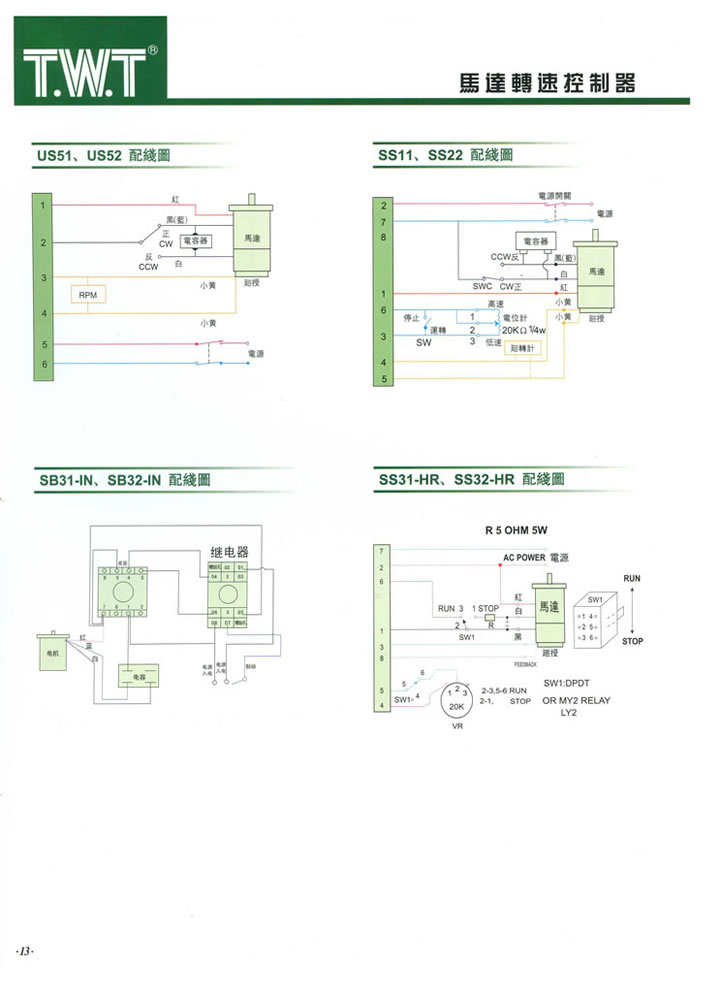
马达转速控制器接线图
马达转速控制器型号之选定
厦门东炜庭电机工业有限公司 电话:0592-8611910
地址:厦门市同安区五显镇西洋路79号
闽ICP备2022013246号
友情链接
厦门洪德文律师
厦门摄影摄像
广州城市快线
厦门包袋厂家
高仿字画网
厦门机电网
厦门猎头公司
东炜庭电机
厦门网站建设
闽公网安备 35021302000175号